型號: PR6830AS

建議售價: $ 539.00

太平洋時尚經濟款抽油煙機:美學與效能的完美平衡  這款 30 吋抽油煙機專為現代家庭打造,將精鍊的簡約美學注入實用功能。搭載三段速強勁動力系統,配合耐用不鏽鋼機身,能迅速排除廚房內的油煙、異味與油脂。內建 6W 節能 LED 燈,在提供清晰烹飪視野的同時,更兼顧環保省電。太平洋時尚經濟款以高效通風表現與俐落外型,成為您清新廚房的可靠核心。



延續中式油煙機優質的排風效果,自動排油功能,
更輕薄時尚外型,耐用質量和強大吸力核心,
以經濟實惠的價錢,即可擁有太平洋一貫的高品質。
該系列一直是建築商和房東最愛。


產品特點

 

  • 最大吸力850CFM
  • 無接縫深罩機身
  • 易清洗寬條式濾網
  • 玻璃觸控螢幕
  • 明暗調節6W LED燈
  • 3 段風速
  • 5 分鐘延時關機



規格:

型號: PR6830AS
系列: Economy
安裝方式: 櫃底機
顏色: 不鏽鋼色
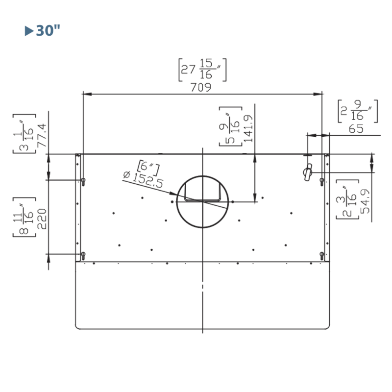
尺寸: 30 IN
產品尺寸: 29-3/4" x 20-1/2" x 6-1/2"
最大吸力(CFM): 850
風速: 3 段
油網: 寬條式濾網
控制面板設計: 玻璃觸控
防風閥: 無
淨重(lbs.): 37.4
毛重(lbs.): 41.14

 

頂部出風口尺寸: 6" Round
後方出風口尺寸 :無
照明 :6W LED
亮度: 2 段
電壓: 120V-60Hz
最大消耗功率: 1.5A/167W
馬達保固: 終生保固
零件保固: 5 Years
認證: UL 認證
產地: 台灣